| Schiene 1 in mm | 80x10 |
| Schiene 2 in mm | 60x30 |
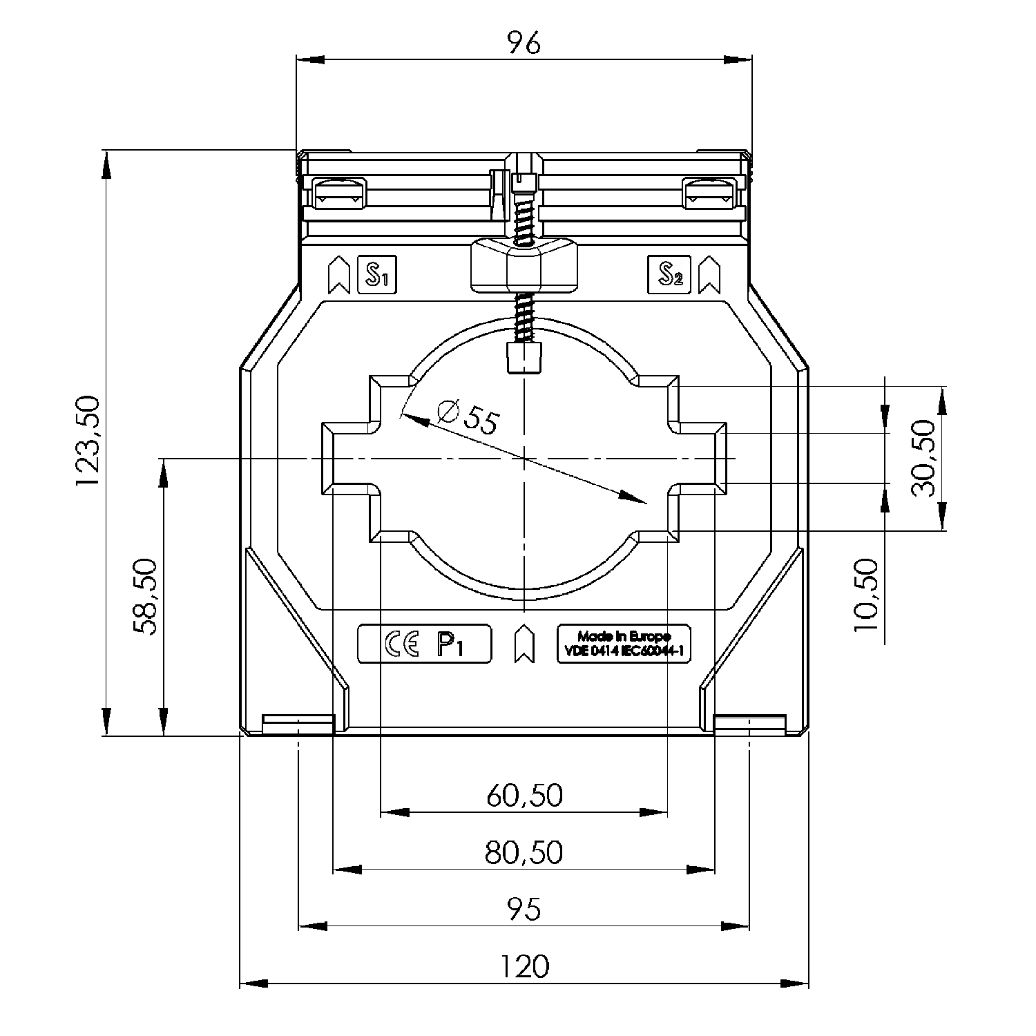
| Rundleiter in mm | 55 |
| Baubreite in mm | 120 |
| Bauhöhe in mm | 123,5 |
| Bautiefe gesamt in mm | 58 |
| Schnappbefestigung | |
| Plombierplatte | 59042 |
| Plombierplatte 2 |
| Primär-Strom in A | 400, 500, 600, 630, 750, 800, 1000, 1200, 1250, 1500, 1600, 2000 |
|---|---|
| Sekundär-Spannung in mV | |
| Genauigkeitsklasse |
- Nenndauerstrom Icth: 1,0 x Ipr
- Nennkurzzeitstrom Ith: 60 x Ipr, 1 Sek.
- Betriebsspannung Um: 0,72 kV
- Isolationsprüfspannung: 3 kV, Ueff, 50 Hz, 1 Min.
- Nenn-Frequenz: 50 Hz
- Isolierstoffklasse: E




