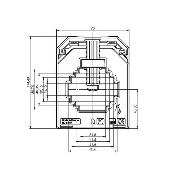
| Schiene 1 in mm | 60*15 |
| Schiene 2 in mm | |
| Rundleiter in mm | 52 |
| Baubreite in mm | 90 |
| Bauhöhe in mm | |
| Bautiefe gesamt in mm | 30 |
| Schnappbefestigung | |
| Plombierplatte | |
| Plombierplatte 2 |
| Primär-Strom in A | 200, 250, 300, 400, 500, 600, 750, 800, 1000, 1250, 1500, 1600 |
|---|---|
| Sekundär-Strom in A | |
| Scheinleistung (VA) | |
| Genauigkeitsklasse |
- Nenndauerstrom Icth: 1,0 x Ipr
- Nennkurzzeitstrom Ith: 60 x Ipr, 1 Sek.
- Betriebsspannung Um: 0,72 kV
- Isolationsprüfspannung: 3 kV, Ueff, 50 Hz, 1 Min.
- Nenn-Frequenz: 50/60 Hz
- Isolierstoffklasse: E




