| Schiene 1 in mm | 120x90 |
| Schiene 2 in mm | |
| Rundleiter in mm | 90 |
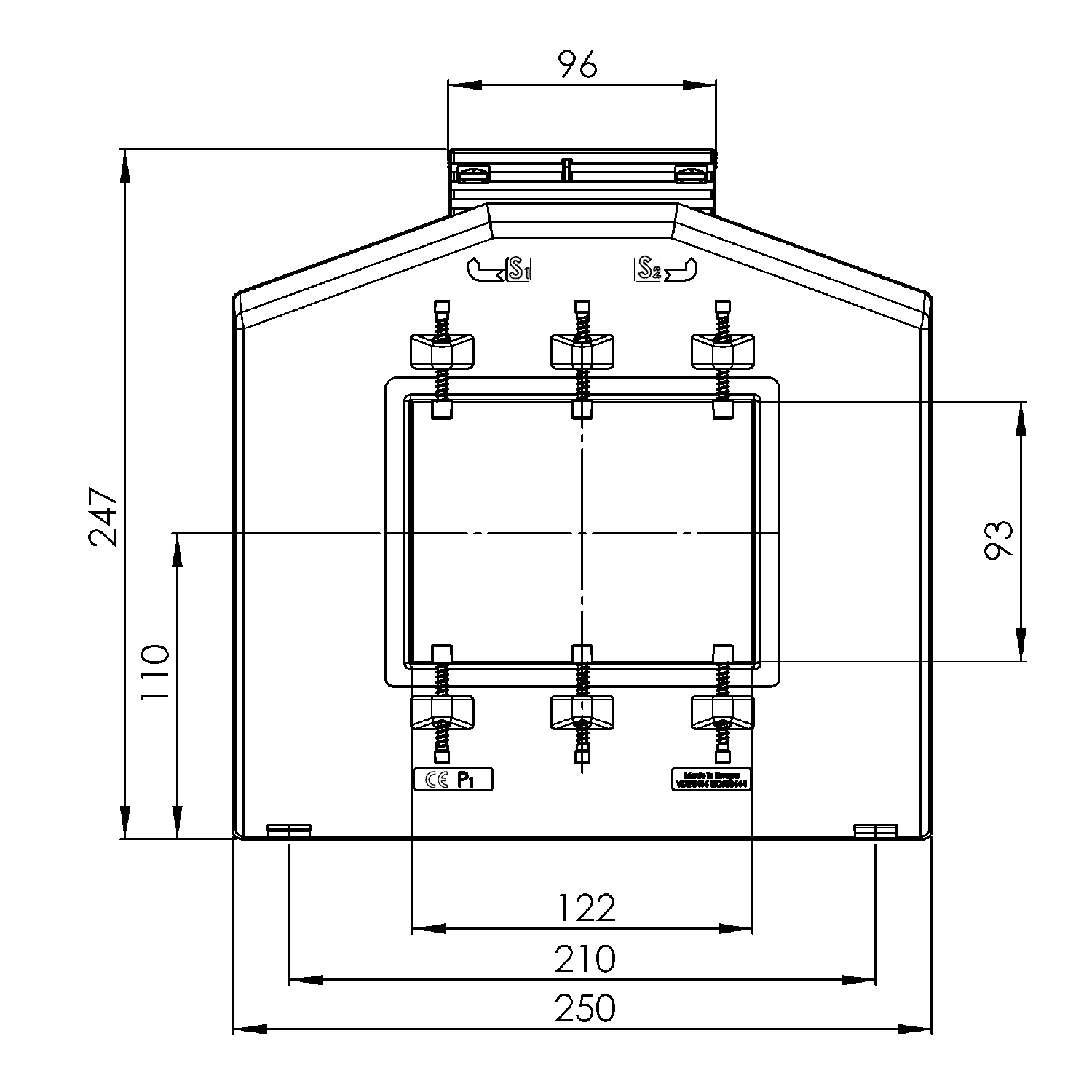
| Baubreite in mm | 250 |
| Bauhöhe in mm | 247 |
| Bautiefe gesamt in mm | 118 |
| Schnappbefestigung | |
| Plombierplatte | 59042 |
| Plombierplatte 2 |
| Primär-Strom in A | 1000, 1200, 1250, 1500, 1600, 1800, 2000, 2500, 3000, 4000, 5000, 6000, 7500 |
|---|---|
| Sekundär-Spannung in mV | |
| Genauigkeitsklasse |
- Nenndauerstrom Icth: 1,0 x Ipr
- Nennkurzzeitstrom Ith: 60 x Ipr, 1 Sek.
- Betriebsspannung Um: 0,72 kV
- Isolationsprüfspannung: 3 kV, Ueff, 50 Hz, 1 Min.
- Nenn-Frequenz: 50 Hz
- Isolierstoffklasse: E




